液动扇形盲板阀详细资料:
一、液动扇形盲板阀产品特点:
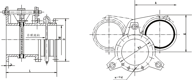
液动扇形盲板阀又名液动扇形眼镜阀,液动翻板阀,主要由左阀体、右阀体、丝杆、闸板、密封圈、杠杆、液压油缸等零件组成,并由底座、支撑柱构成一个刚性结构体。阀门中设有夹紧、松开汽缸和翻板汽缸,夹紧、松开汽缸通过杠杆和丝杆螺旋驱动左、右阀体完成松开、夹紧动作,翻板汽缸驱动闸板完成开关动作。橡胶密封圈镶钳在闸板上,具有耐高温、密封性能好、更换方便、使用寿命长等特点。
液动盲板阀可以单台远距离控制,亦可多台联网远距离控制,非正常情况下还可以利用阀门本身装置手动操作。
二、主要性能参数:
| 公称压力MPa | 0.25 | 0.15 | 0.10 | 0.05 |
| 密封试验压力MPa | 0.275 | 0.165 | 0.11 | 0.055 |
| 强度试验压力MPa | 0.40 | 0.225 | 0.15 | 0.075 |
| 驱动源 | 压缩空气0.4-0.6MPa 油压压力6.3MPa 3相380V50HZ | |||
| 适用温度℃ | 丁腈橡胶 | 硅橡胶 | 氟橡胶 | |
| -20-100 | -20-200 | -20-300 | ||
| 适用介质 | 煤气等有毒、有害、易燃气体 | |||
| 启闭时间S | ≤60 | |||
| 主要零部件材料 | 阀体、闸板为碳钢;丝杆为合金钢;螺母为锰铜合金、球墨铸铁;伸缩器为不锈钢 | |||
三、液动扇形盲板阀主要外形连接尺寸:
| DN | D | D1 | b | n-φd | L |
| 300 | 440 | 395 | 22 | 12-φ22 | 450 |
| 350 | 490 | 445 | 22 | 12-φ22 | 450 |
| 400 | 540 | 495 | 22 | 16-φ22 | 450 |
| 450 | 595 | 550 | 24 | 16-φ22 | 500 |
| 500 | 645 | 600 | 24 | 16-φ22 | 500 |
| 600 | 755 | 705 | 24 | 20-φ26 | 600 |
| 700 | 860 | 810 | 26 | 24-φ26 | 600 |
| 800 | 975 | 920 | 26 | 24-φ30 | 800 |
| 900 | 1075 | 1020 | 28 | 24-φ30 | 800 |
| 1000 | 1175 | 1120 | 30 | 28-φ30 | 800 |

四、液动扇形盲板阀订货须知:
1、①产品名称与型号②液动扇形盲板阀口径③是否带附件以便我们的为您正确选型。
2、若已经由设计单位选定的液动扇形盲板阀型号,请按液动扇形盲板阀型号直接向我司销售部订购。
3、当使用的场合非常重要或环境比较复杂时,请您尽量提供设计图纸和详细参数,由我们的阀门专家为您审核把关。






